| |
CNC용 앱솔루트 리니어 스케일/엔코더
ABSOUTE LINEAR ENCODER FOR CNC


큰 도면을 보려면 이미지를 클릭하세요.
<Specifications>
|
Interface |
DRIVE-CLiQ |
MODBUS RTU (RS485) |
| Model |
HAS |
HAR |
| Measuring resolution |
0.01㎛ (10nm) |
| Accuracry |
±3㎛ |
| Measurement / type |
single glass with single track / absolute |
| Maximum cable length |
30m |
| Supply voltage |
DC 9V ~ 24V |
| Maximum speed |
250m/min |
| Maximum vibration |
20g |
| Maximum shock |
30g |
| Maximum acceleration |
10g in the measuring direction |
| Required moving force |
< 5N |
| Operating temperature |
0℃ ~ 50℃ |
| Storage temperature |
-20℃ ~ 70℃ |
| Relative humidity |
20~80% |
| Protection |
IP53(standard), IP64 with using pressurized air |
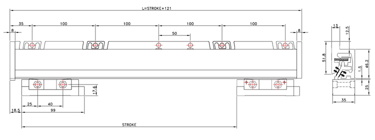
| Measuring length in mm |
140 240 340 440 540 640 740 840 940 1040 1140 1240 1340 |
1440 1540 1640 1740 1840 2040 2240 2440 2640 2840 3040 |


큰 도면을 보려면 이미지를 클릭하세요.
|
Interface |
DRIVE-CLiQ |
MODBUS RTU (RS485) |
| Model |
MAS |
MAR |
| Measuring resolution |
0.01㎛ (10nm) |
| Accuracry |
±3㎛ |
| Measurement / type |
single glass with single track / absolute |
| Maximum cable length |
30m |
| Supply voltage |
DC 9V ~ 24V |
| Maximum speed |
250m/min |
| Maximum vibration |
10g |
| Maximum shock |
30g |
| Maximum acceleration |
10g in the measuring direction |
| Required moving force |
< 5N |
| Operating temperature |
0℃ ~ 50℃ |
| Storage temperature |
-20℃ ~ 70℃ |
| Relative humidity |
20~80% |
| Protection |
IP53(standard), IP64 with using pressurized air |
| Measuring length in mm |
50 100 150 200 250 300 350 400 450 500 600 700 800 900 1000 |
1100 1200 1300 1400 1500 1600 1700 1800 1900 2000 |
2100 2200 2300 2400 2500 2600 2700 2800 2900 3000 |


큰 도면을 보려면 이미지를 클릭하세요.
|
Interface |
DRIVE-CLiQ |
MODBUS RTU (RS485) |
| Model |
SAS |
SAR |
| Measuring resolution |
0.01㎛ (10nm) |
| Accuracry |
±3㎛ |
| Measurement / type |
single glass with single track / absolute |
| Maximum cable length |
30m |
| Supply voltage |
DC 9V ~ 24V |
| Maximum speed |
250m/min |
| Maximum vibration |
10g |
| Maximum shock |
30g |
| Maximum acceleration |
10g in the measuring direction |
| Required moving force |
< 5N |
| Operating temperature |
0℃ ~ 50℃ |
| Storage temperature |
-20℃ ~ 70℃ |
| Relative humidity |
20~80% |
| Protection |
IP53(standard), IP64 with using pressurized air |
| Measuring length in mm |
50 100 150 200 250 300 350 400 450 500 600 700 800 900 1000 |


|
Interface |
DRIVE-CLiQ |
MODBUS RTU (RS485) |
| Model |
NAS |
NAR |
| Measuring resolution |
0.01㎛ (10nm) |
| Accuracry |
±3㎛ |
| Measurement / type |
single glass with single track / absolute |
| Maximum cable length |
30m |
| Supply voltage |
DC 9V ~ 24V |
| Maximum speed |
250m/min |
| Maximum vibration |
10g |
| Maximum shock |
30g |
| Maximum acceleration |
10g in the measuring direction |
| Required moving force |
< 5N |
| Operating temperature |
0℃ ~ 50℃ |
| Storage temperature |
-20℃ ~ 70℃ |
| Relative humidity |
20~80% |
| Protection |
IP53(standard), IP64 with using pressurized air |
| Measuring length in mm |
50 100 150 200 250 300 350 400 450 500 |
|